Novi proizvodi
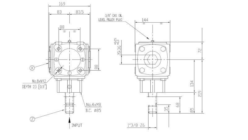
KUTNI REDUKTOR TB-19J 1,46:1 (23HP-16,9kW)
Šifra:
100140
OEM:
9990000024728
Stopa poreza
22 %
Cijena bez PDV:
168,03 EUR
Cijena sa PDV:
205,00 EUR
Ref:
24
Vračanje ili mjenjanje:
14 dana
Sredstvo za podmazivanje:
u reduktor je potrebno sipati ulje SAE 90-1,0 lit
Rotacija reduktora:
ljevi/desni ( zavisi od montaže reduktora )
Koda proizvođača:
9.259.871.20
Garancija:
6 mjeseci
Max. opterečenje:
23 KS (16,9 kW)
Tip reduktora:
TB-19J ( kutni prijenos )
Podmazivačko sredstvo:
ulje SAE 90 1.0 litara mora se dodati u reduktor.
Ulazna osovina:
kardanska ( 1"3/8-6 zubi )


.jpg)
.jpg)
.jpg)




