Novi proizvodi
KUTNI REDUKTOR T-313J 1:3 (62HP-45,6kW)
Šifra:
100566
OEM:
9990000068975
Stopa poreza
22 %
Cijena bez PDV:
331,97 EUR
Cijena sa PDV:
405,00 EUR
Ref:
10
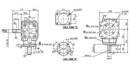
Opis:
Kutni zupčanik izrađen od lijevanog željeza je međuslojni komponent između pogona i radne mašine, prenoseći snagu i brzinu prema zahtjevima radne mašine.
Vračanje ili mjenjanje:
14 dana
Rotacija reduktora:
desno
Koda proizvođača:
9.313.875.10
Težina proizvoda:
27 kg
Garancija:
6 mjeseci
Max. opterečenje:
62 HP (45.6 kW)
Izlazna osovina:
osovina 33 mm
Odnos prenosa:
1:3
Tip reduktora:
T-313J (kutna transmisija)
Podmazivačko sredstvo:
potrebno je uliti ulje SAE 90 1.5 litara u reduktor.
Ulazna osovina:
kardan (1”3/8 – 6 zuba)


.jpg)

.jpg)
_.jpg)


