Nowe produkty
ZAWÓR PROPORCJONALNY DO PRZEDNIEGO ŁADOWACZA – OPEN CENTER LVM92 EHP
| Informacje techniczne | |
|
Dostawca: |
Turcja |
|
Zwrot lub wymiana: |
14 dni |
|
Gwarancja: |
6 miesięcy |
|
Typ: |
OTWARTY ŚRODEK |
|
Ciśnienie robocze: |
250 bar |
|
Nominalny przepływ: |
90 lit/min |
|
Gwint przyłączeniowy: |
1/2" |
|
Liczba sekcji: |
2 |
Opis
LVM92-EHP to zawór monoblokowy zaprojektowany do przednich ładowaczy traktorowych, oferujący doskonałe proporcjonalne cechy pracy oraz łatwy montaż. Charakteryzuje się przepływem do 90 l/min oraz ciśnieniem roboczym do 250 bar.
Zawór zapewnia w pełni elektro-proporcjonalną kontrolę, włącznie z funkcją pływającą, niezależnie od obciążenia i warunków pracy.
Zestaw zawiera zawór, proporcjonalny joystick sterujący oraz okablowanie elektryczne.
Zastosowanie

Dla prawidłowego działania systemu, uważnie wykonaj wszystkie poniższe kroki:
- Wykonaj połączenie jak pokazano powyżej.
- Upewnij się, że akumulator hydrauliczny jest poprawnie podłączony.
- Sprawdź, czy ciśnienie wlotowe nie przekracza 250 bar.
- Upewnij się, że nominalny przepływ wynosi 90 l/min.
- Sprawdź, czy połączenia na portach B1, A1, A2 i B2 są prawidłowo podłączone.
- Upewnij się, że linia odpływowa (przecieku) jest prawidłowo podłączona.
- Sprawdź, czy linie T (zbiornik) i P (ciśnienie) są poprawnie podłączone i działają prawidłowo.

- Jeśli w linii hydraulicznej znajdują się dwa zawory, podłącz wyjście przeniesienia (carry-over) pierwszego zaworu do wlotu ciśnienia drugiego zaworu.
- Jeśli używany jest tylko jeden zawór, podłącz wyjście przeniesienia zaworu bezpośrednio do zbiornika.


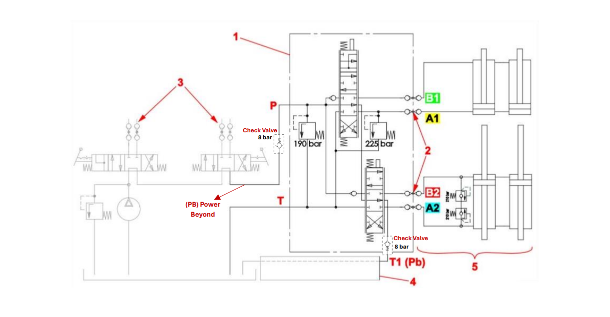
Diagram przedstawia układ hydrauliczny OTWARTY ŚRODEK (OPEN CENTER):
1. Zawór proporcjonalny (LVM92 EHP) po prawej stronie interfejsu osprzętu.
2. Interfejs przedniego ładowacza ciągnika.
3. Zawory hydrauliczne już zainstalowane na ciągniku mogą być wykorzystywane dla innych odbiorników.
4. Inne zawory lub zawory pomocnicze.
5. Przedni ładowacz ciągnika.
Trzy linie hydrauliczne (P, T1, T) łączą proporcjonalny zawór OTWARTY ŚRODEK z układem hydraulicznym ciągnika:
- P – linia ciśnienia
- T – linia powrotu (zbiornik)
- T1 – przekazanie ciśnienia (Power Beyond – „PB”) + sprężynowy zawór zwrotny na 8 barów

Podłącz zawór jak pokazano powyżej:
- Upewnij się, że napięcie systemu wynosi 12 V.
- Sprawdź, czy przewód zasilający jest właściwie podłączony.
- System musi zawierać kabel łańcuchowy oraz rezystor 120 omów.
- Po podłączeniu joysticka upewnij się, że diody LED ACAS świecą na zielono.
- Sprawdź, czy wszystkie kable są pewnie i poprawnie podłączone.

- NIEBIESKI przycisk: zawór kierunkowy 6/2 (przycisk chwilowy)
- CZERWONY przycisk: funkcja pływająca (przycisk zatrzaskowy)
- ZIELONY przycisk: wolno/szybko (przycisk zatrzaskowy)
Funkcja pływająca: Przesuń joystick w kierunku B1 (opuszczanie). Gdy joystick znajduje się w pozycji B1, naciśnij przycisk funkcji pływającej (FLOAT), aby aktywować tryb pływający. Uwaga: Nie wykonuj tej operacji, gdy ładowacz jest zbyt wysoko podniesiony.









