Novi artikli
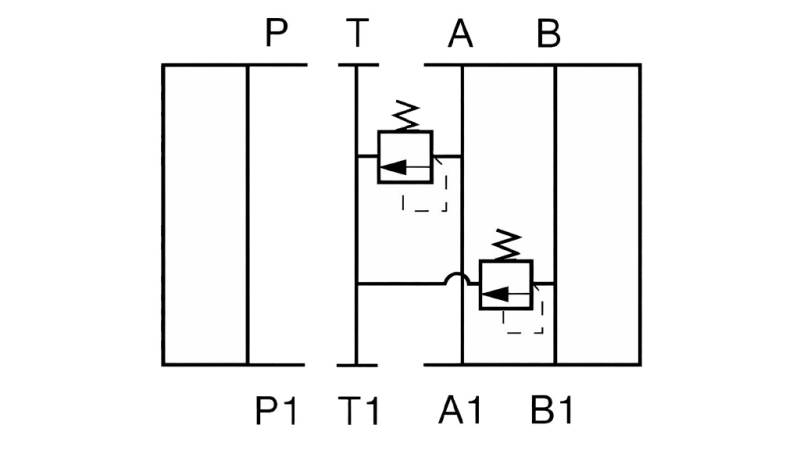
VARNOSTNI VENTIL CETOP 3 (AinB) 15-315 BAR
Šifra:
13104
OEM:
9990000087563
Stopnja davka
22 %
Cena brez DDV:
51,64 EUR
Cena z DDV:
63,00 EUR
Ref:
5
Opis:
Nepovratni ventil Cetop 3 se namesti med podnožjem in ventilom. Uporablja se za preprečitev pretoka olja v nasprotno smer.
(AinB): nepovratni ventil na priključku »A« in na priključku »B«.
(A): nepovratni ventil na priključku »A«.
(B): nepovratni ventil na priključku »B«.
(P): nepovratni ventil na priključku »P«.
Dobavitelj:
Španija
Vračilo ali menjava:
14 dni
Teža izdelka:
1,5 kg
Garancija:
6 mesecev
max. nastavljivi tlak :
15-315 bar
Max. pretok:
35 l/min
Max. tlak:
315 bar







