Nuovi Prodotti
VALVOLA IDRAULICA HIAB 8xPC70 + 2x JOYSTICK - STERZO ELETTRICO 12V
Codice articolo:
12510
OEM:
9990000073139
Aliquota fiscale
22 %
Prezzo senza IVA:
967,21 EUR
Prezzo IVA inclusa:
1.180,00 EUR
Ref:
9
| Informazioni tecniche | |
| Fornitore: | Bulgaria |
| Reso o cambio: | 14 giorni |
| Garanzia: | 6 mesi |
| Portata nominale olio: | 70 l/min |
| Portata massima olio: | 80 l/min |
| Intervallo di temperatura di esercizio: | da -20 °C a +60 °C |
| Filettatura di collegamento: | Porti A, B e P 1/2", porto T - 3/4" |
| Pressione massima: | Porto P – 250 bar, porto T - 50 bar, porti A e B – 300 bar |
| Bobine: |
12/24 V - 60 W (on/off) |
| Peso: |
32,3 kg |
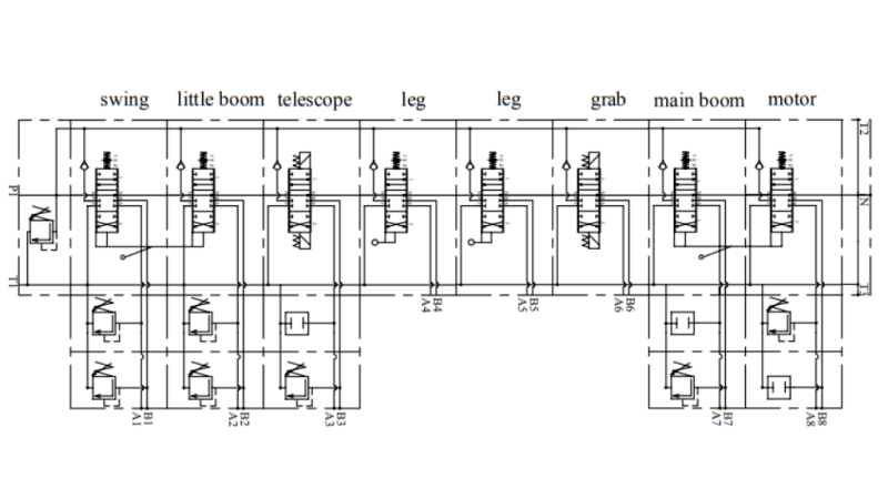
Descrizione
Il PC70 è una valvola impilabile (sezionata) progettata per l'utilizzo su rimorchi forestali con gru (HIAB). Permette sia il controllo meccanico che elettronico. La valvola idraulica è composta da otto sezioni.











