Novi artikli
HIDRAVLIČNA ČRPALKA 20A4,5X067 FRONT GR.2 4,5 CC LEVA
Šifra:
12000
OEM:
9990000038510
Stopnja davka
22 %
Cena brez DDV:
94,26 EUR
Cena z DDV:
115,00 EUR
Ref:
5

Informativen izračun ob nakupu na obroke
polog0,00 EUR
3 × 38,33 EUR
polog0,00 EUR
6 × 21,19 EUR
polog0,00 EUR
12 × 10,80 EUR

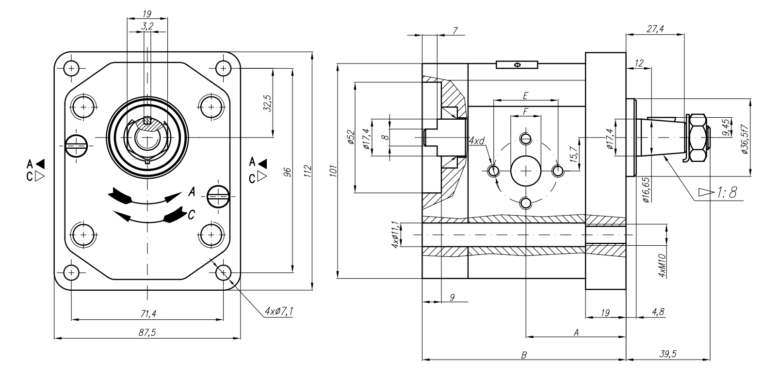
|
Šifra |
Volumen |
|
Prirobnica |
|||
|
(cc) |
A (mm) |
B (mm) |
E (mm) |
F (mm) |
d (mm) |
|
|
12000 |
4,5 |
42,5 |
87,2 |
30,2 |
13,1 |
M6 |
|
12001 |
8,2 |
44 |
90,2 |
|||
|
12002 |
12 |
48,6 |
99,5 |
39,7 |
19 |
M8 |
|
12003 |
16 |
52 |
105,8 |
|||
|
12004 |
19 |
54 |
110,7 |
|||
|
12005 |
22 |
57 |
115,7 |
|||
|
12006 |
25 |
59,2 |
120,6 |
|||
Smer vrtenja:
leva
Vračilo ali menjava:
ni možno
Max. vrtljaji:
3500 vrt/min
pretok pri 1500 vrt/min:
6,14 lit/min
pretok pri max. vrtljajih:
14,33 lit/min
Pretok:
4,5 cc
max. konstantni tlak:
250 bar









