Nya produkter
DUBBEL MULTIPLIKATOR GR.2/3 - 1:3 - HONANSLUTNING
| Teknisk information | |
| Leverantör: | Kina |
| Retur eller byte: | 14 dagar |
| Garanti: | 6 månader |
| Utväxling: | 1:3 |
| För hydrauliska pumpar: | GR. 2/3 |
| Anslutning: | PTO-axel – 1" 3/8 – 6-splines (han) |
| Inmatningshastighet: | 540 rpm |
| Inmatningstopp: | 96,3 daNm |
| Utmatningshastighet: | 1620 rpm (max. 3000 rpm) |
| Utmatningstopp: | 15,8 daNm |
| Last: | upp till 35 kW |
| Produktvikt: | 15 kg |
| Krävd oljemängd: | 1,25 lit. |
| Växeloljefett: | SAE 90 olja |
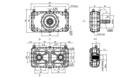
MÅTT

Den speciella egenskapen hos dubbelväxellådan är att två pumpar kan kopplas till den via en enda drivning, vilket sedan genererar oljeflöde genom hydraulsystemet.
BRUKSANVISNING
1. Avsedd användning
Växellådan är en mekanisk transmission som ökar varvtalet på utgående axel och möjliggör drift av en hydraulisk kugghjulspump via traktorens PTO-axel.
Den används för att driva:
- hydrauliska kraftenheter,
- skogsvinschar,
- vedklyvar,
- annan hydraulisk utrustning.
2. Monteringsposition
Växellådan måste installeras i korrekt driftläge för att säkerställa rätt smörjning av kugghjulen. En horisontell installation rekommenderas, så pump och växellåda bör vara horisontellt justerade.
Viktigt:
- växellådan måste alltid monteras så att oljan inuti huset är i kontakt med kugghjulsöverföringen,
- långvarig drift i uppochnedvänd position är inte tillåtet,
- växellådan måste mekaniskt stödjas (får inte hänga endast på PTO-axeln).
3. Rotationsriktning
Innan installation, kontrollera PTO-axelns rotationsriktning och den erforderliga rotationsriktningen för den hydrauliska pumpen.
Felaktig rotationsriktning kan orsaka pumpfel, tätningarsläpp och dåligt oljeflöde.
4. Oljesmörjning
Växellådan måste kontinuerligt smörjas med olja inuti huset för att säkerställa korrekt drift av kugghjulen. Rekommenderad smörjning är växelolja SAE 90.
Växellådan ska fyllas med olja upp till kontrollnivån.
Innan första användningen, ta bort påfyllningspluggen, fyll enheten med olja upp till nivåmarkeringen och stäng pluggen.
Innan varje användning, kontrollera oljenivån. Första olje bytet rekommenderas efter 50 driftstimmar, därefter var 1500:e timme eller en gång per år.
5. Drifttemperatur
Växellådans hus normala arbetstemperatur är mellan 50 och 80 °C. Om den överstiger 90 °C, kontrollera oljenivå, belastning och justering.
6. Underhåll och möjliga problem
| Problem | Möjlig orsak | Lösning |
| Överhettning | Otillräcklig oljenivå | Kontrollera oljenivån |
| Ljud | Slitna lager | Service |
| Vibrationer | Feljustering | Kontrollera installationen |
| Oljeläckage | Skadad tätning | Byt tätning |








