Novos Produtos
VÁLVULA MANUAL PARA MOTOR HIDRÁULICO MS CENTRO FECHADO - 50LIT
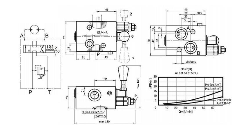
Descrição:
A válvula manual é montada diretamente no motor hidráulico e serve para controlá-lo diretamente no motor hidráulico.
A alavanca da válvula permite ligar e desligar, bem como mudar a direção de rotação do motor hidráulico.
Válvula 'CENTRO ABERTO'- Na posição neutra, o motor hidráulico não está rotacionado. Ele não é acionado hidraulicamente, mas o eixo do motor hidráulico pode rotacionar com sua própria inércia ou a inércia da carga.
É mais comumente usado em aplicações onde queremos que o acionamento pare com a inércia da carga ou tenha a possibilidade de auto-rotação do acionamento - motor hidráulico.
Válvula 'CENTRO FECHADO'- Na posição neutra, o motor hidráulico está rotacionado, o que significa que a inércia da carga não pode rotacioná-lo também.
É mais comumente usado em aplicações onde queremos que o acionamento pare imediatamente e permaneça estacionário após o acionamento - motor hidráulico ser desligado.






