Nieuwe artikelen
PROPORTIONEEL REGELVENTIEL VOOR TRACTOR VOORLADER - LOAD SENSING LVM92 EHP
| Technische informatie | |
|
Leverancier: |
Turkije |
|
Retour of omruiling: |
14 dagen |
|
Garantie: |
6 maanden |
|
Type: |
LOAD SENSING |
|
Werkdruk: |
250 bar |
|
Nominale doorstroming: |
90 l/min |
|
Aansluitdraad: |
1/2" |
|
Aantal secties: |
2 |
Beschrijving
LVM92-EHP is een monoblokventiel ontworpen voor voorladers, met uitstekende proportionele bedieningskenmerken en eenvoudige installatie, met een doorstromingscapaciteit tot 90 l/min en werkdrukken tot 250 bar.
Het ventiel biedt volledig elektro-proportionele regeling, inclusief de drijfstandfunctie, ongeacht de belasting van de machine en de bedrijfsomstandigheden.
De set bevat het ventiel, een proportionele bedieningsjoystick en elektrische bekabeling.
De Load Sensing functie zorgt voor nog nauwkeurigere proportionele controle en verbeterde systeemefficiëntie.
Toepassing

Voor een correcte systeemwerking volgt u zorgvuldig alle onderstaande stappen:
- Maak de aansluiting zoals hierboven weergegeven.
- Zorg dat de hydraulische accumulator correct is aangesloten.
- Controleer dat de toegangsdruk niet hoger is dan 250 bar.
- Zorg dat de nominale instroom 90 l/min bedraagt.
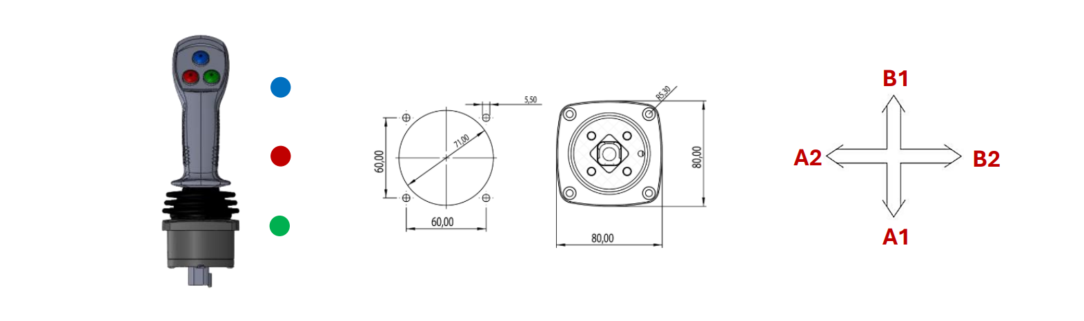
- Controleer dat de aansluitingen op poorten B1, A1, A2 en B2 correct zijn aangesloten.
- Zorg dat de afvoer- of lekleiding correct is aangesloten.
- Controleer dat de T (tank) en P (druk) leidingen correct zijn aangesloten en functioneren.



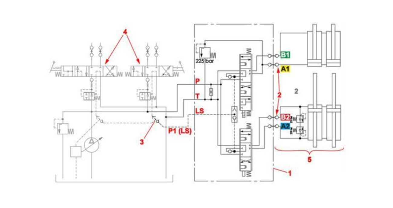
De afbeelding toont een LOAD SENSING hydraulisch systeem:
1. Proportioneel ventiel (LVM92 EHP) aan de rechterzijde van de bevestigingsinterface.
2. Interface voor de tractorvoorlader.
3. Extra wisselklep voor Load Sensing.
4. Al op de tractor geïnstalleerde hydraulische ventielen kunnen voor andere verbruikers gebruikt worden.
5. Tractorvoorlader.
Drie hydraulische lijnen (P, T, P1) verbinden het LOAD SENSING proportionele ventiel met het hydraulische systeem van de tractor:
- P – drukleiding
- T – retourleiding (tank)
- P1 – Load Sensing (LS)

Sluit het ventiel aan zoals hierboven getoond:
- Controleer of de systeemspanning 12 V is.
- Controleer dat de voedingskabel correct is aangesloten.
- Het systeem moet een kettingkabel en een 120-ohm weerstand bevatten.
- Zorg dat na aansluiting van de joystick de ACAS-LEDs groen oplichten.
- Controleer dat alle kabels stevig en correct zijn aangesloten.

- BLAUWE knop: 6/2 stuurventiel (momentknop)
- RODE knop: drijfstandfunctie (vergrendelknop)
- GROENE knop: langzaam/snel (vergrendelknop)
Drijfstandfunctie: Beweeg de joystick in de richting B1 (verlaging). Terwijl de joystick in de B1-stand staat, druk op de FLOAT-knop om de drijfstandmodus te activeren. Waarschuwing: Voer deze handeling niet uit wanneer de tractorvoorlader te hoog is opgeheven.









