Nuovi Prodotti
VALVOLA IDRAULICA P81 AUTOMATICO PER LO SPLITTER
| Informazioni tecniche | |
| Fornitore: | Bulgaria |
| Reso o cambio: | 14 giorni |
| Garanzia: | 6 mesi |
| Portata nominale olio: | 80 l/min |
| Corsa del mandrino: | ± 7,9 mm |
| Intervallo di temperatura di esercizio: | da −40 °C a +60 °C |
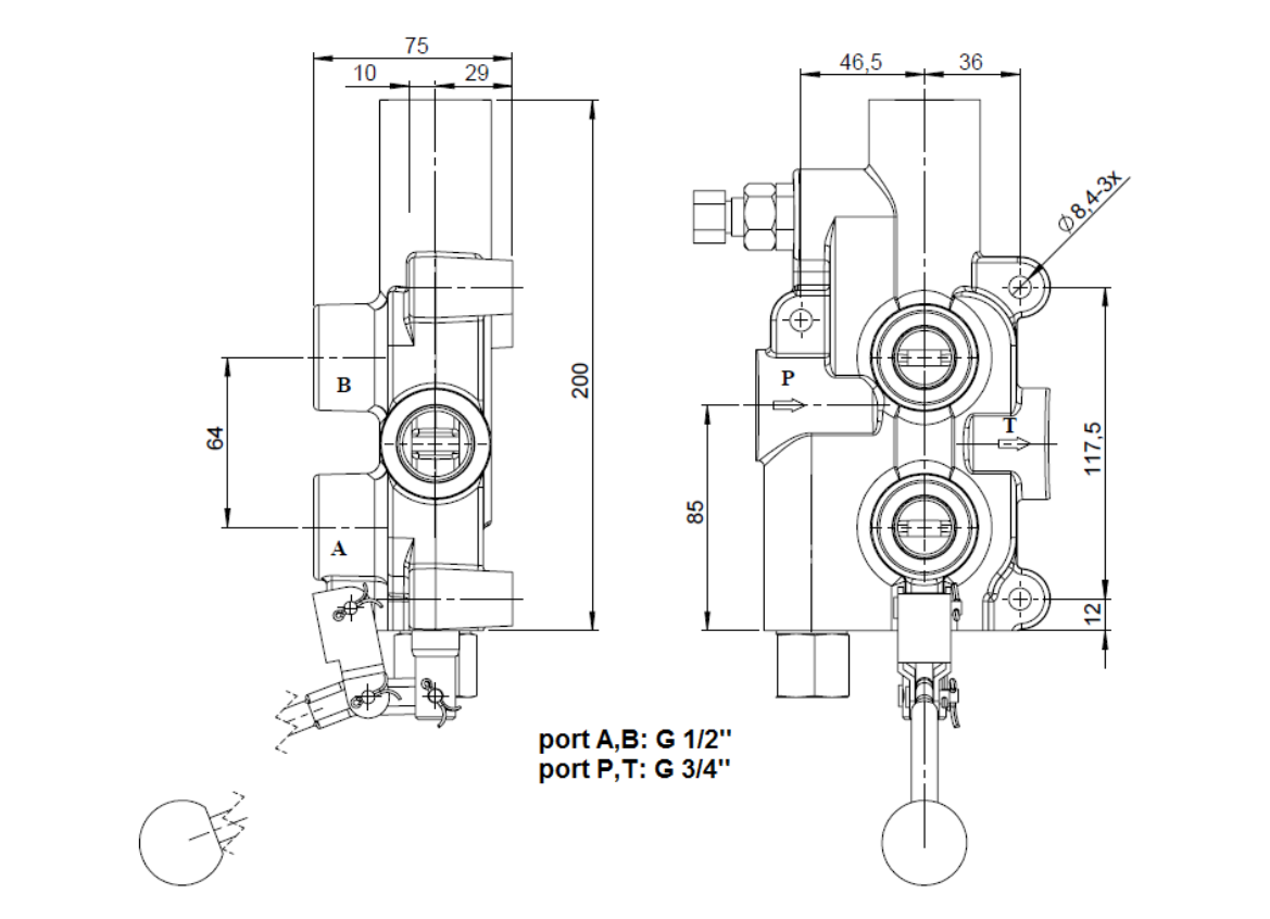
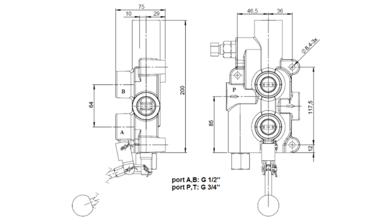
| Filettatura di collegamento: | Porta P e T – 3/4", porta A e B – 1/2" |
| Pressione max.: | Porta P – 250 bar, porta T - 50 bar, porta A e B – 300 bar |
| Valvola di sicurezza a sfiato: | regolata in fabbrica a 150 bar |
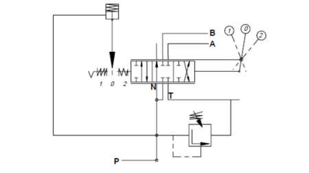
Descrizione
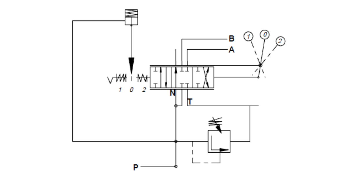
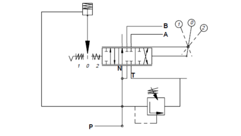
La valvola idraulica P81 è progettata per l’uso su spaccalegna. Presenta un funzionamento a ritorno con molla in una direzione e un sistema di sgancio pressione nella direzione opposta, che fa ritornare automaticamente la leva in posizione neutra. La valvola P81 include anche una valvola di sicurezza a sfiato regolabile manualmente.
Perno di sgancio pressione
Il sistema di sgancio pressione permette di rilasciare la leva che ritorna quindi in posizione neutra. Quando il distributore viene spostato manualmente nella posizione di sgancio pressione, l’olio viene diretto alla sezione “B”. Quando la pressione nella sezione “B” supera il valore impostato, il perno di sgancio pressione libera la leva di comando e la riporta in posizione neutra. L’impostazione di fabbrica per la funzione di sgancio è di 70 bar.
ATTENZIONE: Se il perno di sgancio pressione è impostato a una pressione troppo alta, la leva non ritornerà in posizione neutra. Se la pressione è impostata troppo bassa, il perno di sgancio pressione non terrà la leva nella posizione pronta per lo sgancio.
Valvola di sicurezza a pressione regolabile – l’impostazione standard di fabbrica della valvola di sicurezza è di 150 bar.
La leva della valvola può essere orientata sia “verso l’alto” che “verso il basso” a seconda della posizione di montaggio della macchina. Ciò si ottiene facilmente ruotando la leva di 180°. Tutti i perni sono fissati saldamente con spinotti DIN 94.












