Nuovi Prodotti
RIDUTTORE D'ANGOLO PER CIRCOLARE SINISTRA
Codice articolo:
10722
OEM:
9990000006434
Aliquota fiscale
22 %
Prezzo senza IVA:
127,05 EUR
Prezzo IVA inclusa:
155,00 EUR
Ref:
21
Restituzione o cambio:
14 giorni
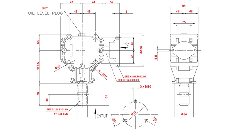
rotazione del riduttore:
sinistra
codice del produttore:
9.124.872.60
Carico:
15 HP (11 kW)
albero di uscita:
albero 25mm con flangia per puleggia
tipo di riduttore:
L-25J (trasmissione angolare)
lubrificante:
è necessario versare olio SAE 90 0,4 litri nel riduttore.
albero di ingresso:
cardano (1”3/8 – 6 denti)








