Új termékek
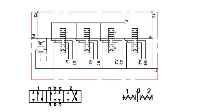
HIDRAULIKUS SZELEP 4xPC70
Kód:
12159
OEM:
9990000065530
Adó mértéke
22 %
Ár áfa nélkül:
107.267,20 HUF
Ár áfával:
130.865,99 HUF
Ref:
5
Szállító:
Bulgária
lyuk fi :
50 bar
Visszatérés vagy csere:
14 nap
Termék súlya:
16.75 kg
elektromos áram:
70 lit/perc
Garancia:
6 hónap
OFF funkció:
-40-től + 60°C-ig
mutató egységek :
250 bar
ON funkció:
-15 és +80°C
START funkció:
180 bar
garancia :
50-250 bar
frekfrenca :
300 bar


.jpg)



