Novi artikli
HIDROMOTOR MR 100
Šifra:
11250
OEM:
9990000016976
Stopnja davka
22 %
Cena brez DDV:
163,93 EUR
Cena z DDV:
200,00 EUR
Ref:
16

Informativen izračun ob nakupu na obroke
polog0,00 EUR
3 × 66,67 EUR
polog0,00 EUR
6 × 36,84 EUR
polog0,00 EUR
12 × 18,79 EUR
OPIS - HIDROMOTORJI MR
Hidromotorji tipa MR so kompaktni, robustni in zanesljivi z orbitalno konstrukcijo. Zaradi enostavne zasnove in visoke učinkovitosti so primerni za široko paleto aplikacij.
Odlikuje jih:
- visoka delovna prostornina ob nizkih hitrostih,
- enakomerno in tiho delovanje,
- dolga življenjska doba zaradi kakovostnih materialov in tesnil,
- možnost delovanja v različnih smereh vrtenja,
- nizka poraba olja glede na izhodno moč.
Uporabljajo se predvsem v kmetijski, gozdarski in gradbeni mehanizaciji, pa tudi v industriji, kjer je potrebna zanesljiva in učinkovita pretvorba hidravlične energije v mehansko gibanje.

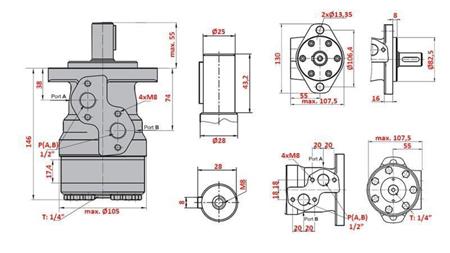
| L | L1 | |
| (mm) | (mm) | |
| MR 50 | 135,5 | 6,67 |
| MR 80 | 139,5 | 10,67 |
| MR 100 | 142 | 13,33 |
| MR 125 | 145,5 | 16,67 |
| MR 160 | 150 | 21,33 |
| MR 200 | 155,5 | 26,67 |
| MR 250 | 162 | 33,33 |
| MR 315 | 171,5 | 42,67 |
| MR 400 | 182 | 53,33 |
DIAGRAM "MR 100"
Padec tlaka:
konstantni 175 bar, s prekinitvami 200 bar, max. 225 bar
Priključni tlak:
konstantni 175 bar, s prekinitvami 200 bar, max. 225 bar
Dobavitelj:
Bolgarija
Pretok olja:
konstantni 60 L/min, max. 75 L/min
Temperaturno območje:
od -40°C do 140 °C
Vračilo ali menjava:
14 dni
Navor:
konstantni 24 daNm, s prekinitvami 28 daNm, max. 32 daNm
cm/vrtljaji:
99,8
Priključni navoj:
1/2"
Vrtljaji:
konstantni 600 rpm, s prekinitvami 750 rpm
Teža izdelka:
7,3 kg
Garancija:
6 mesecev
Osovina:
25 mm
Moč:
konstantna 13 kW, max. 15 kW












