Νέα προϊόντα
PMRV-110 ΚΙΒΩΤΙΟ ΓΙΑ ΗΛΕΚΤΡΙΚΟ ΜΟΤΕΡ MS132 (5.5-7.5KW) ΑΝΑΛΟΓΙΑ 7.5:1
Επιπλέον περιγραφή:
| ηλεκτρικό μοτέρ | κιβώτιο | ροπή εξόδου M2 [Nm] | παράγοντας ασφαλείας - SF |
|---|---|---|---|
| 5.5kW (MS132) | RV-110 | 250 | 1.9 |
| 7.5kW(MS132) | 341 | 1.4 |
Περιγραφή:
Τα κιβώτια PMRV χρησιμοποιούνται σε συνδυασμό με ηλεκτρικά μοτέρ.
Το κιβώτιο μειώνει τις στροφές του ηλεκτρικού μοτέρ στην τιμή που θέλουμε να λειτουργήσουμε. Τα κιβώτια έχουν διαφορετικές αναλογίες 7.5:1 - 10:1 - 20:1 - 40:1.
Κατά την εγκατάσταση του κιβωτίου, βεβαιωθείτε πάντα ότι:
- τα δεδομένα στην πινακίδα ταυτίζονται με τα δεδομένα του παραγγελθέντος αντικειμένου
- η θήκη και οι άξονες είναι καθαροί και αβλαβείς
- η επιφάνεια στην οποία είναι προσαρτημένο το κιβώτιο είναι επίπεδη και αρκετά ισχυρή
- το κιβώτιο και ο άξονας του ηλεκτρικού μοτέρ ταιριάζουν καλά
- αν υπάρχει πιθανότητα δονήσεων ή μπλοκαρίσματος, πρέπει να εγκατασταθεί περιοριστής ροπής
- οι περιστρεφόμενες μεριές καλύπτονται με πλαστικά καλύμματα
- η συσκευή που χρησιμοποιείται σε εξωτερικούς χώρους πρέπει να είναι κατάλληλα προστατευμένη από καιρικές συνθήκες
- οι συνθήκες λειτουργίας δεν προκαλούν διάβρωση (εκτός αν έχει συμφωνηθεί προηγουμένως και το κιβώτιο και το ηλεκτρικό μοτέρ είναι κατάλληλα προετοιμασμένα)
- οι οδοντωτοί τροχοί, οι τροχοί άξονα, οι είσοδοι/έξοδοι είναι σωστά ασφαλισμένοι για να αποφευχθούν ραδινές ή αξονικές φορτίσεις που δεν υπερβαίνουν το μέγιστο επιτρεπτό όριο
- όλες οι συνδέσεις είναι επικαλυμμένες με αντιδιαβρωτικό υλικό για να αποτραπεί η οξείδωση κατά την επαφή
- όλες οι βίδες στερέωσης πρέπει να είναι σφιγμένες με ασφάλεια
Όλοι οι υπολογισμοί βασίζονται σε ηλεκτρικά μοτέρ με 1400 στροφές. Εάν χρησιμοποιείτε ηλεκτρικό μοτέρ με διαφορετική ταχύτητα από 1400 στροφές ανά λεπτό, διαιρέστε τις εισερχόμενες στροφές με την αναλογία του κιβωτίου για να αποκτήσετε τις εξόδους στροφών.
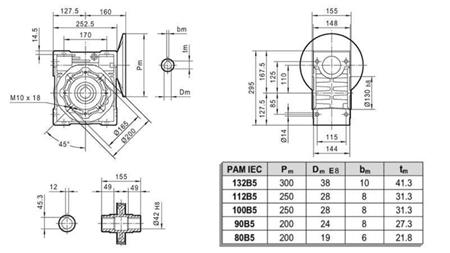
Περισσότερα τεχνικά δεδομένα μπορείτε να βρείτε στο συνημμένο 'ΔΙΑΣΤΑΣΕΙΣ - ΦΥΛΛΟ ΔΕΔΟΜΕΝΩΝ'.







